Uitvinding van de vaatwasser

Minder werk aan een servies dat heel blijft

Veel machines of elektrische apparaten die de taken van de vrouw in belangrijke mate hebben verlicht, zijn uitgevonden door mannen. Zo niet de afwasmachine of vaatwasser. Deze werd in 1886 bedacht door Josephine Cochrane (1839-1913),  een Amerikaanse dame uit hogere kringen, al kreeg zij daarbij wel enige hulp van een mechanicus. In principe was het haar bedoeling om het (grotere) huishouden te verlossen van de afwas, maar zoals dat met veel apparaten ging, kwam de 'Cochrane vaatwasser' niet beschikbaar voor de huisvrouw (of haar bedienend personeel) voor de jaren '20. Aanvankelijk werd hij vooral populair in de horeca, waar het arbeidsintensieve afwassen zwaar op het budget drukte.


 

Josephine Cochrane en de door haar bedachte vaatwasser op een Roemeense herdenkingspostzegel uit 2013, in een serie over vrouwelijke uitvinders.

 

De eerste afwasmachine

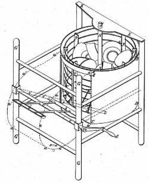
De vaatwasser van Cochrane was in theorie niet de eerste vaatwasser. In 1850 werd er al een patent verleend aan ene Joel Houghton voor een machine om de vaat mee te doen. Dit was een grote, houten tobbe met daarop een hendel die met de hand werd bediend en het water op de vaat deed klotsen. Helaas werd die daar niet veel schoner van. De uitvinding van Houghton ging dan ook roemloos ten onder.

 

 

Patenttekening van de vaatwasser van Joel Houghton uit 1850.

 

Josephine Cochrane

Jospehine Garis Cochrane was een rijke dame uit Shelbyville Illinois, die graag chique feestjes mocht organiseren. Dat leverde steevast stapels afwas op. Vanzelfsprekend had ze bedienend personeel om die voor haar te doen, maar toch stoorde ze zich eraan. Het was een klus waar veel tijd in ging zitten en er braken regelmatig waardevolle serviesstukken. Vooral met kostbaar porselein ging het personeel zo nonchalant om dat Cochrane het zelf maar deed. 

Ze was zich echter volop bewust dat ze in een tijd van vooruitgang leefde. Daarin kon toch ook voor dit probleem wel een oplossing worden gevonden! De door haar gewenste uitvinding kwam echter niet. Daarom verzuchtte ze op een dag:

 "If nobody else is going to invent a dishwashing machine, I’ll do it myself."

Toen ze bij gelegenheid zelf de afwaskwast ter hand nam, viel het haar op dat een flinke waterstraal nog het schoonste resultaat geeft. Daarop begon ze in een schuurtje aan de bouw van een afwasmachine. Daarbij riep ze de hulp in van George Butters, een jonge mechanicus.

Zelf had ze geen opleiding, maar toch had ze het niet van een vreemde. Haar vader was civiel ingenieur en haar grootvader ontwierp een bepaald type stoomboot. Toen in 1883 haar echtgenoot plotseling overleed bleek de weduwe met een enorme schuld achter te blijven. Daardoor veranderde de uitvinding van de vaatwasser van hobby in werk. 

 

 

Louise Jopling - Blue and White. 1896. Duur porselein konden chique dames beter zelf afwassen. 

 

De Cochrane vaatwasser

Samen met Butters kwam Cochrane tot een machine die de vaat wél schoon bleek te krijgen en die werkte met een slim gesloten systeem. Deze kwam bekend te staan als de Cochrane vaatwasser.

Het betrof een houten kast met onderin een koperen warmtereservoir waarin een rek stond om de vaat in te zetten. Bovenin zat een sproeiarm welke was verbonden met zowel een pomp als een wiel onderop. De kast werd gevuld met water en zeep, waarna de pomp op gang werd gebracht met een handbediende slinger. Zo stroomde het water uit de tobbe naar de sproeiarm. vervolgens zorgde het door een motor aangedreven wiel ervoor dat de sproeiarm heen en weer bewoog. Als een soort douche spoelde deze vervolgens de vaat schoon. Als de afwas klaar was, kon men een stop uit de tobbe trekken en het water weg laten lopen. Hierna droogde de vaat vanzelf.

In december 1886 kreeg Josephine Cochrane haar eerste patent op de vaatwasser toegewezen. Er zouden er nog verschillende volgen voor allerlei verbeterde versies.

 

 

Patenttekening voor een verbeterde versie van de Cochrane vaatwasser uit 1914 (patent toegekend in 1917).

 

Ondertussen was het rek waar de vaat in werd gezet niet zomaar een rek. Om breuken te voorkomen had Cochrane namelijk al haar servies opgemeten en er een speciaal ontwerp van draad voor gemaakt. Dat was een rek bestaande uit verschillende compartimenten waar alle typen serviesstukken, van borden en soepkommen tot theekopjes en glazen, veilig in konden worden geplaatst. Al met al leek deze eerste echte vaatwasser dus al verrassend veel op de onze.

 

Advertentie voor de Cochrane vaatwasser. Datum onbekend.

 

 

Op de markt gebracht

In eerste instantie toonde Cochrane haar vinding aan haar gefortuneerde vrienden, die zelf ook problemen hadden met grote stapels afwas. Die waren meteen enthousiast en bestelden zo'n afwasmachine. Toch sloeg hij niet meteen aan bij andere huisvrouwen. Die zagen te weinig noodzaak voor het aanschaffen van een duur apparaat voor het doen van de vaat.

Daarom begon Cochrane  de afwasmachine vooral bij horecagelegenheden in de omgeving van Shelbyville aan te bieden. Daar had ze meer succes en de vaatwasser verspreidde zich in restaurants en hotels.

In 1893 kwam de grote doorbraak. Dat jaar werd de Wereldtentoonstelling in Chicago georganiseerd, niet ver bij Shelbyville vandaan. Josephine Cochrane toonde er haar vaatwasser en werd met de hoogste prijzen onderscheiden. Hierna stroomden de bestellingen binnen, al bleven die bestemd voor grote horecagelegenheden.

Om de bestellingen te kunnen leveren richtte Cochrane een eigen bedrijf op. Dit was de voorloper van het latere KitchenAid dat inmiddels bekend staat als Whirlpool. Nog tot vlak voor haar overlijden in 1913 bleef ze zelf vaatwassers verkopen.

 

De Cochrane vaatwasser, ongeacht welke versie, werd aangedreven door een niet elektrische motor. Het kon echter niet uitblijven dat het apparaat al snel van een elektromotor werd voorzien. Dat is het geval bij bovenstaande vaatwasser uit 1917.

 

Bronnen

  • nl.wikipedia.org - 'Josephine Cochrane'/ 'Afwasmachine' (30-7-2012)
  • www.alincolnlearning.us/dishwasher.html (30-7-2012)
  • www.wasmachine.nl - 'Hoe komen we aan vaatwassers?' (30-7-2012)
  • Mary Bellis - inventors.about.com - 'Josephine Cochrane - Inventor of the Dishwasher'. (30-7-2012)
  • www.renzoebox.com/renzoeblog/josephine-cochrane (21-1-2019)
  • drloihjournal.blogspot.com/2017/01/josephine-garis-cochrane-cochran-1839.html (22-1-2019)

 

Afbeeldingen

  • Patenttekening Houghton: https://hubys.co.uk/news-information/15/a-history-of-the-dishwasher (21-1-2019)
  • Advertentie Cochrane vaatwasser: https://drloihjournal.blogspot.com/2017/01/josephine-garis-cochrane-cochran-1839.html (22-1-2019)
  • Overigen: Wikimedia (commons.wikimedia.org)

 

 

Deze pagina is gepubliceerd op 30 juli 2012 en voor het laatst gewijzigd op 22 januari 2019.